Показать сообщение отдельно
Старый 23.05.2014, 18:38   #10
becool
Трансмиссия
 
Аватар для becool
 
Регистрация: 03.12.2011
Адрес: Самара / Абдулино
Возраст: 43
Пол: Мужской
Сообщений: 5,424
Сказал(а) спасибо: 829
Поблагодарили 1,572 раз(а) в 844 сообщениях
Вес репутации: 20
becool имеет репутацию за пределами доброй репутацииbecool имеет репутацию за пределами доброй репутацииbecool имеет репутацию за пределами доброй репутацииbecool имеет репутацию за пределами доброй репутацииbecool имеет репутацию за пределами доброй репутацииbecool имеет репутацию за пределами доброй репутацииbecool имеет репутацию за пределами доброй репутацииbecool имеет репутацию за пределами доброй репутацииbecool имеет репутацию за пределами доброй репутацииbecool имеет репутацию за пределами доброй репутацииbecool имеет репутацию за пределами доброй репутации
Re: Все о ГРМ двигателя 21126...(обрыв ремня, разрушение роликов, клин помпы, и т.д.), часть 18

Цитата:
Сообщение от вячеслав1982 Посмотреть сообщение
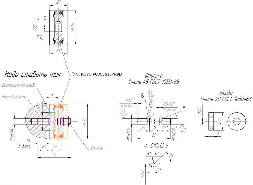
becool, То есть сердцевина в кое литая с двумя подшипниками
По твоему выражаясь, "сердцевина" ролика - это и есть внутренняя обойма подшипника.

Добавлено через 3 минуты
Вот Аleksandr48 выкладывал в дневнике чертеж.
becool вне форума  
Вверх